Insatech logo
Kvadrat Medium Carraro Desuper Varifix

VARIfix DF Nozzle

VARIfix DF nozzles from Carraro are fixed-area spraying devices designed to deliver excellent atomization with minimal water droplet size, even at low differential pressures. Ideal for applications with near-constant loads, they offer reliable performance and moderate rangeability, while minimizing water impact against internal pipe walls.

The VARIfix gives you the following benefits:

  • Excellent atomization
  • Small droplet size
  • Handles load fluctuations
  • Minimized pipe impact.

For sales or commercial inquiries please contact us at marine@insatech.com.

Contact us now

Efficient and Versatile Steam Control

The VARIflow series desuperheaters are engineered to provide precise steam temperature control with exceptional water atomization and high rangeability.

Designed to fill the performance gap between basic mechanical sprays and more sophisticated, expensive devices, VARIflow desuperheaters offer flexibility through a wide variety of nozzle combinations.

The integrated diaphragm modulating actuator, typically assisted by a positioner, ensures full control of water flow during the desuperheating process, eliminating the need for an auxiliary control valve.

Suitable for applications with no practical limitations on steam temperature and pressure, VARIflow can handle water pressure differentials of up to 80 bar without requiring a supplementary reducing valve in most cases.

Varifix Nozzle Carraro 1024 16X9

Key Features of the VARIfix DF Nozzle

The VARIfix has several benefits. See some of them listed below:

  • Fixed-area spray design: Available in single or multiple configurations for consistent spraying performance.
  • Sophisticated internal vortex ring: Ensures excellent atomization and small water droplet size, even at low differential pressures.
  • Handles moderate load fluctuations: Suitable for applications with nearly constant load, offering guaranteed rangeability to manage slight variations.
  • Narrow spray cone angle: Designed to minimize water impact on the internal pipe wall, ideal for probe-type installations.

Exactly what you need? Contact us now!

Solutions for Diverse Industries

The VARIfix are designed to deliver precise steam temperature control and efficient water atomization across a range of applications such as:

  • Process gases
  • Steam.

The various industries which the desuperheater is suitable for includes, but is not excluded to:

  • Marine
  • Oil & gas
  • General industry
  • Power.

Need more information? Contact us here

Big containership sailing

VARIfix DF Nozzles: Efficient and Reliable Spray Performance

VARIfix DF nozzles are fixed-area spraying devices, available in both single and multiple configurations, designed to deliver optimal atomization in a variety of applications.

Their advanced internal vortex ring ensures excellent atomization by creating small water droplets, even under low differential pressures, improving efficiency in steam and gas systems. These nozzles are particularly suited for processes with near-constant load requirements, while still offering the ability to handle moderate load fluctuations, thanks to their reliable rangeability.

Additionally, the nozzles are engineered with a narrow spray cone angle, reducing the risk of water impacting internal pipe walls. This makes them especially effective for probe-type installations, where precision and control are essential for maintaining system integrity.

Varifix Inlet Carraro 1024 16X9

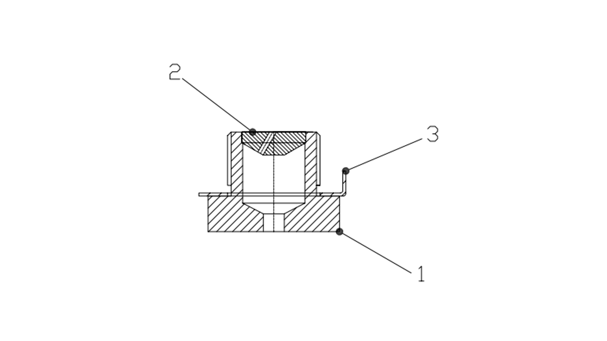
VARIfix: Probe Assembly Design

The VARIfix desuperheaters feature a probe assembly where one or two nozzles are mounted at the end of a tubular extension, flanged to the pipe. The injection is positioned near the pipe axis, adjustable by the probe’s length for optimal performance.

A reference pin on the desuperheater flange ensures precise nozzle orientation inside the piping. The probe assembly is typically made from the same material as the pipe to ensure compatibility. Tables list the combinations of water and pipe connections based on nozzle dimensions, with steam connections capable of being oversized when two nozzles are used on the same probe (see it in the brochure here)

Contact us now and let's talk price!

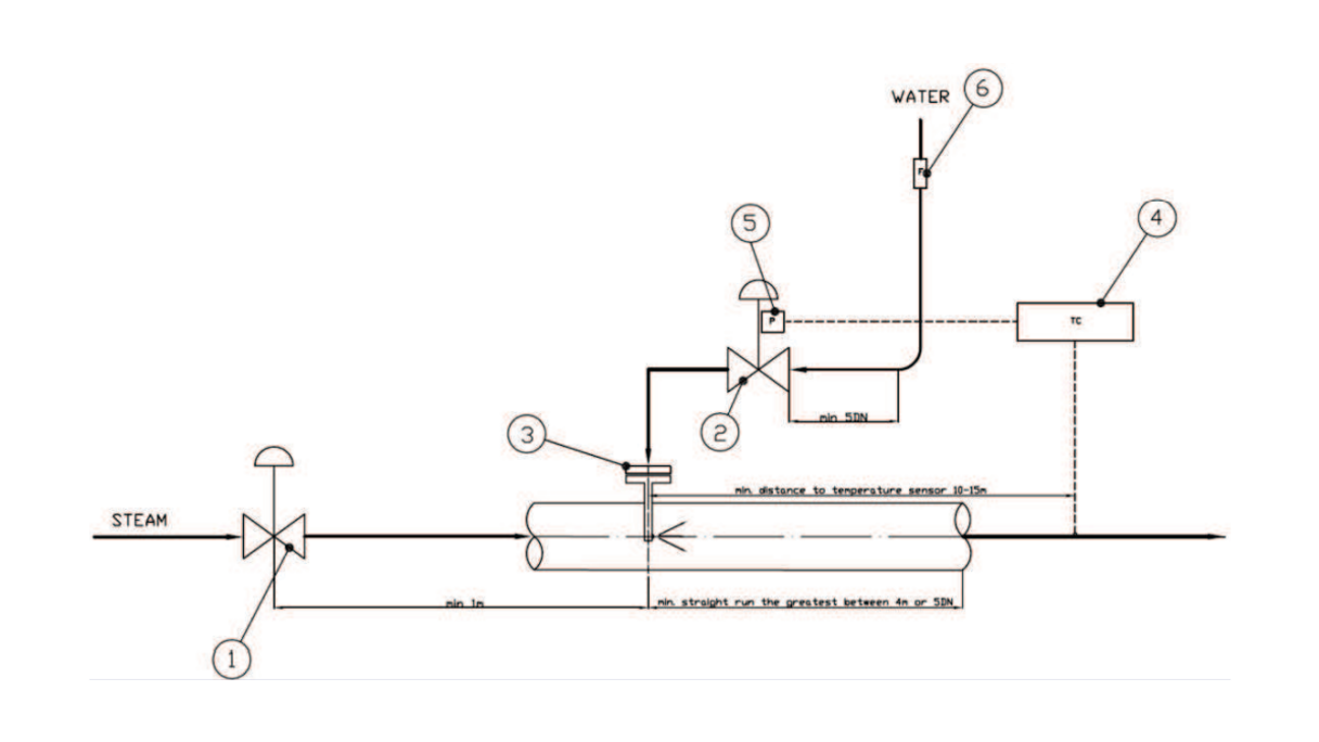
Best Practices for Efficient Desuperheating

To ensure efficient desuperheating, careful consideration must be given to the installation and arrangement of the desuperheater within the steam system. Proper placement enhances steam-water mixing and optimizes temperature control.

The key is to maintain ideal steam velocity at the injection point, as higher velocity improves turbulence and facilitates faster evaporation of water droplets.

Additionally, the location of temperature sensors, straight pipe runs, and nozzle orientation must be configured in line with engineering standards. These practices, illustrated in the accompanying figures, are critical to achieving optimal performance and precise temperature regulation in various desuperheating applications.

LEGENDA:
1) Pressure reducing valve
2) Water control valve
3) Carraro desuperheater
4) Temperature controller
5) Posiioner
6) Filter (recommended)

Contact us now and let's talk price!

Varifix Engineering Carraro 1024 16X9
169 Medium Carraro Desuper Varifix Varifix Nozzle Carraro 1024 16X9 Varifix Nozzle 1 Carraro 1024 16X9 Varifix Nozzle 2 Carraro 1024 16X9 Varifix Inlet Carraro 1024 16X9 Varifix Engineering Carraro 1024 16X9
169 Medium Carraro Desuper Varifix
Varifix Nozzle Carraro 1024 16X9
Varifix Nozzle 1 Carraro 1024 16X9
Varifix Nozzle 2 Carraro 1024 16X9
Varifix Inlet Carraro 1024 16X9
Varifix Engineering Carraro 1024 16X9

Get in Touch with Our Experts

Insatech Medarbejdere Website MSR
For technical questions

Martin Søvind Jensen


Tel: +45 2761 4502

Email: Marine@insatech.com

Write to Martin

Test Af Websitebillede FREJ ANAN HNI
For commercial inquiries

Our team of Sales Specialists


Tel.: +45 5537 2095

Email: quotes@insatech.com

 

Contact us now

Technical Specifications
Function

Temperature control of the overheated water

Size
  • Water: 1 ”and 1 1/2”
  • Steam flange: 2 ”, 3” and 4 ”
  • Steam line: 4 ”to 40”
Connection:

Flanger (ANSI)

Pressure step

Max ANSI 2500

CV

From 0.018 to 21.3

Material
  • Valve body: Alloy steel
  • Nozzle head: Stainless steel (AISI 422)
Nozzles

15 different sizes

Rangeability

Up to 6: 1

Water volume

Max 21 m3 per. hour

Delta P
  • Min. 1.5 bar(g)
  • Max. 30 bar(g)
Cooling

Max To 7 °C above the saturation point of the outlet vapor

Product specifications and manuals

  • Brochure - VariFix -Carraro
    English | pdf
  • Manual - VariFix - Carraro
    English | pdf

Didn't you find what you were looking for? 

If you are looking for some specific material, please write to us. Then we will try to find it for you, and send it as soon as possible.

Fill out the contact form 

Consent for storing of submitted data *


This site is protected by reCAPTCHA and the Google Privacy Policy and Terms of Service apply.

To top

Search